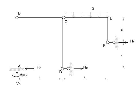
Noteikt balsta reakcijas dotajam rāmim, ja zināma vienmērīgi izkliedētā slodze q, attālums L un augstums H!
Dots:
q = 4 kN
L = 5 m
H = 4 m
Aprēķināt:
= ? kN
= ? kN
= ? kNm
= ? kN
= ? kN

Dots:
q = 4 kN
L = 5 m
H = 4 m
Aprēķināt:
= ? kN
= ? kN
= ? kNm
= ? kN
= ? kN

Atbilde:
= kN
= kN
= kNm
= kN
= kN
= kN
= kNm
= kN
= kN
Lai iesniegtu atbildi un redzētu rezultātus, Tev nepieciešams autorizēties. Lūdzu, ielogojies savā profilā vai reģistrējies portālā!