Endoplazmatiskais tīkls
Endoplazmatiskais tīkls – no membrānām veidota cisternu un caurulīšu sistēma. Uz graudainā ET piestiprinās ribosomas, bet gludajam ET ribosomu nav.
Graudainais ET veic olbaltumvielu sintēzi, pārveidošanu un transportu. Graudainais endoplazmatiskais tīkls šūnu sadala dažādos nodalījumos. Tā membrānas citoplazmā veido it kā atsevišķas telpas, nodalot ķīmiskās reakcijas vienu no otras.
Gludais ET sintezē lipīdus un veic dažādu vielu neitralizāciju. Uz tīkla membrānām atrodas enzīmi, kuri padara ūdenī nešķīstošas vielas par šķīstošām, ko no organisma var izvadīt ar dažādiem šķidrumiem, piemēram, urīnu.
Goldži komplekss
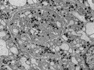
Goldži komplekss nosaukts itāļu zinātnieka Kamillo Goldži vārdā, kurš atklāja šo šūnas struktūru 1898. gadā.
Tie ir sīki, ar membrānu klāti sfēriski pūslīši, cisternas, caurulītes, kuru diametrs ir līdz 1 nm. Parasti atrodas starp endoplazmatisko tīklu un šūnas membrānu, tajā nokļūst šūnā saražotās vielas.

Goldži komplekss elektronmikroskopiskā fotogrāfijā.
Goldži komplekss satur fermentus, kas pārveido ogļhidrātus un olbaltumvielas par glikoproteīniem, tie ir nepieciešami membrānas veidošanā un ārpusšūnas notiekošajās reakcijās. No Goldži kompleksa atdalās pūslīši ar sintezētām vielām un virzās uz dažādām šūnas vietām, kur tās ir nepieciešamas.
Tas piedalās ieslēgumu, lizosomu veidošanā un olbaltumvielu, ogļhidrātu, lipīdu sintēzē.
Lizosomas
Lizosomas ir ar membrānu apņemti pūslīši, kas satur dažādus gremošanas enzīmus. Lizosomas sagremo šūnā iekļuvušās baktērijas un vīrusus, sagremo bojā gājušos vai novecojušos šūnas organoīdus, kā arī novecojušas šūnas. Piemēram, pusmūža cilvēka nervu šūnas ir desmitiem gadu vecas, bet vairums to organoīdu (mitohondriju, ribosomu) nav vecāki par vienu mēnesi. Lizosomas novecojušos organoīdus sagremo un to vietā rodas jauni organoīdi.
Ja lizosomas neveic savu funkciju, nesašķeltās vielas tajās uzkrājas un rodas lizosomālās slimības, piemēram, Teja - Saksa slimība, kad netiek sašķelti ķīmiski savienojumi mukopolisaharīdi. Tie uzkrājas iekšējo orgānu, sevišķi smadzeņu šūnās un rada smadzeņu bojājumus jaundzimušajiem. 4 - 6 mēnešu vecumā bērns pārstāj smaidīt, rāpot, velties, pamazām iestājas aklums, kurlums, elpošanas grūtības.
Mitohondriji
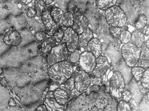
To sieniņas sastāv no divām membrānām - ārējā ir gluda, bet iekšējā veido krokas, kuras sauc par sekstītēm jeb kristām. Mitohondriji šūnu apgādā ar enerģiju.

Mitohondriji elektronmikroskopā. Tie var būt ovāli, apaļi vai nūjiņveidīgi. Vienā šūnā ir no 50 līdz 50 tūkstošiem. Visvairāk mitohondriju ir aknu šūnās, apmēram 2500 vienā šūnā.
Jauni mitohondriji veidojas no vecajiem. Mitohondrijos veidojas ATF (adenozīntrifosforskābe), kura satur ļoti daudz enerģijas.