Cilvēka balsta un kustību sistēmu veido skelets un muskuļi, kuriem pateicoties cilvēks spēj pārvietoties un veikt noteiktas kustības.

Pieauguša cilvēka skelets sastāv no aptuveni 206 kauliem. Kaulu skaits katram cilvēkam ir atšķirīgs un variē atkarībā no vecuma un iedzimtības īpatnībām. Piemēram, jaundzimušajam ir apmēram 270 kaulu. Taču laika gaitā, notiekot pārkaulošanās procesiem kaulos, kauli saplūst un pieaugušam cilvēkam ir tikai 206 atsevišķu kaulu. Kaulu sistēma ikviena cilvēka organismā veido stingru un kustīgu ķermeņa karkasu. Skelets vīrietim aizņem 18% no kopējā ķermeņa svara, bet sievietēm – 18,5%. Kopumā skelets var būt 5-6 kg smags.
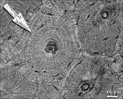
Kaula uzbūves pamatvienība ir osteons - cilindriski viena otrā savērtu kaulu plātnīšu sistēma, kas grupējas ap centrālo kanālu.

Centrālajā kanālā atrodas asinsvadi. Kanāli ir orientēti kaula garenass virzienā. Atsevišķus osteonus norobežo starpplātnītes. Gan osteona, gan starpplātnīšu pamatu veido vienā virzienā ejošas kolagēna šķiedras. Starp kolagēna sienām izgulsnējas sāļi. Blakus esošo kolagēna šķiedru virziens ir dažāds, tas padara kaulu plātnītes izturīgas. Osteoni tiek noārdīti un veidojas no jauna, arhetoniski piemērojas mainīgiem slodzes apstākļiem.
Atkarībā no osteonu daudzuma un izvietojuma, visus kaulaudus iedala:
- Blīvie vai kompaktie kaulaudi - tajos osteonu ir mazāk, bet ir vairāk atsevišķo kaulaudu plātnīšu. Šīs plātnītes novietojas blīvi cita pie citas. Blīvā kaulviela klāj visus kaulus no ārpuses.
- Porainie kaulaudi - tajos kaula plātnītes novietojas atstatus cita no citas. Arī starp osteoniem veidojas spraugas, jeb nelieli dobumiņi - poras. Poras aizpilda sarkanās kaula smadzenes.
- Sarkanās kaulu smadzenes atrodas sekojošos kaulos – krūšu kaulā, mugurkaula skriemeļos, kā arī gūžas kaulā. Ja kauli ir savienoti kustīgi - ar locītavas palīdzību, tad to galos ir locītavas virsma. Kaula locītavas virsmu sedz skrimslis. Skrimšļa ārējā virsma ir gluda, tā ir vērsta pret locītavas dobumu. Locītavas skrimslis atvieglo locītavu virsmu slīdēšanu vienai pret otru, un darbojas kā amortizators, mazinot satricinājumu locītavai. Kaula plēve no ārpuses apņem kaulu, izņemot locītavu virsmas. Pie tās piestiprinās muskuļi un cīpslas, tajā ir daudz nervu un kaulu barojošu asinsvadu. Kaula plēvē ir šūnas, kas atbild par kaula augšanu resnumā.
Organiskās vielas kaulam piešķir elastīgumu, bet neorganiskās vielas (kalcijs un fosfors) – cietību.
Video par organisko un neorganisko vielu pierādīšanu kaulā:
Organisko un neorganisko vielu attiecība kaulos dzīves laikā mainās. Bērnu kauli ir elastīgi, jo satur daudz organiskās vielas. Turpretim, pieaugušo kaulos, īpaši vecumdienās, organisko vielu daudzums samazinās, tādēļ kauli kļūst trausli.
Cilvēka embrijam skeleta kauli ir veidoti no skrimšļaudiem. Auglim augot un attīstoties, skrimšļainajos kaulos parādās pārkaulošanās punkti, kuriem pateicoties pakāpeniski sāk veidoties kaulaudi. Pēc piedzimšanas kaulu augšana turpinās līdz 22-25 gadu vecumam. Dzīves laikā kauls aug gan garumā, gan resnumā. Kaula augšanu garumā nodrošina skrimšļaudi, kas saglabājas kaulos. Kaula augšanu resnumā notiek pateicoties šūnām, kas atrodas kaula plēvē. Kauls pārveidojas visa cilvēka mūža garumā. Nepārtraukti notiek jaunu kaulu šūnu veidošanās un veco kaula šūnu noārdīšana.